x
伤感标签
伤感图片
伤感说说
伤感的句子说说心情
伤感图片
空间说说
心情说说
伤感图片带字
非主流伤感图片
爱情说说
女生伤感说说
人生感悟
唯美伤感图片
女生伤感图片
心情不好的说说
说说带图片
关于生活的说说
唯美意境图片
说说心情短语
悲伤的图片
唯美意境伤感图片
只有字的伤感图片
qq空间说说带图片
个性说说
说说图片
励志名言
伤心的图片
情感口述
一句话经典语录
美甲图片
图片大全
感悟人生的经典句子
短句吧
情感故事
情感图片
微信头像男
动态壁纸
抖音文案
动漫配图
伤感标签
首页
说说
动漫
口述
句子
图片
首页
>
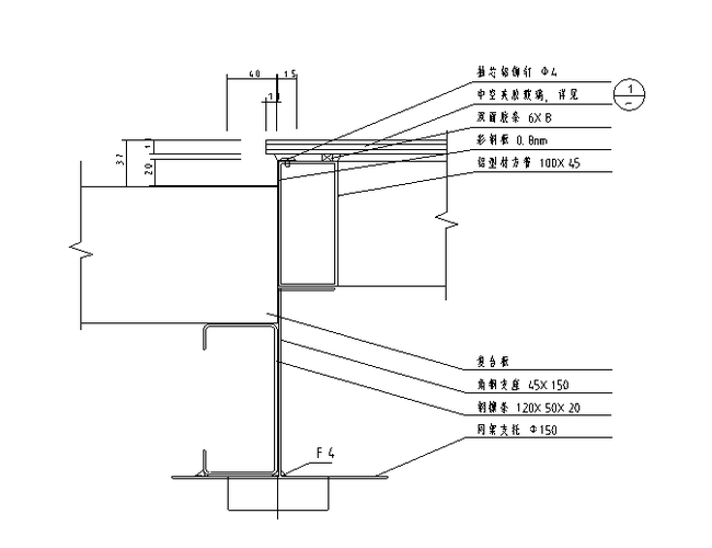
八字屋顶结构图
八字屋顶结构图,八字梁结构图
2,斜顶滚砖高度宜为150mm,倾斜角度在45°-60°之间,"倒八字"
中国木结构屋顶的各种造型【批木网】
几张简图看懂古建筑之屋顶一
某地仿古八字门楼建筑设计方案图纸
[分享]过梁与圈梁节点资料下载
更多推荐
八字梁结构图
八字形屋顶图片欣赏
钢结构八字梁图纸
八字梁钢结构
钢屋架八字梁平面图
屋顶平面图
结构图
八字结打法图解
八字梁图片大全
头骨结构图
人的身体结构图
人体结构图
人体器官结构图
八字刘海图片
八字结
耳朵结构图
眼睛的结构图
细胞结构图
屋顶图片
齿轮关节结构图
人体骨骼结构图
人体内脏结构图
树脂瓦屋顶造型图
肺的结构图
心脏结构图
外八字
人体结构图器官位置
动物细胞结构图
歇山式屋顶
胃的结构图
说说分类
伤感说说
空间说说
心情说说
爱情说说
女生伤感
人生感悟
心情不好
说说带图片
生活的说说
心情短语
qq空间说说
个性说说
励志名言
经典语录
感悟人生
伤感句子
短句吧
情感故事
图片分类
伤感图片
伤感带字
非主流伤感
唯美伤感
女生伤感
唯美意境
悲伤的图片
意境伤感
只有字伤感
说说图片
伤心的图片
美甲图片
图片大全