x
伤感标签
伤感图片
伤感说说
伤感的句子说说心情
伤感图片
空间说说
心情说说
伤感图片带字
非主流伤感图片
爱情说说
女生伤感说说
人生感悟
唯美伤感图片
女生伤感图片
心情不好的说说
说说带图片
关于生活的说说
唯美意境图片
说说心情短语
悲伤的图片
唯美意境伤感图片
只有字的伤感图片
qq空间说说带图片
个性说说
说说图片
励志名言
伤心的图片
情感口述
一句话经典语录
美甲图片
图片大全
感悟人生的经典句子
短句吧
情感故事
情感图片
微信头像男
动态壁纸
抖音文案
动漫配图
伤感标签
首页
说说
动漫
口述
句子
图片
首页
>
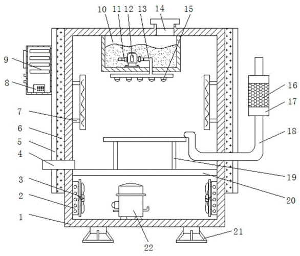
制冰机原理图
制冰机原理图,制冰机的工作原理
耐雪制冰机_华南售后
管冰机 欧美地区食用冰要求 卫生制冰机
一种全自动雪花制冰机的制作方法
雪花制冰机厂家
添加银离子的卫生制冰机及其使用方法技术
更多推荐
制冰机的工作原理
制冰机电路图
制冰机结构原理图
制冰机工作原理图解
制冰机原理
制冰机制冷系统原理图
制冰机不制冰图解
原理图工作原理
制冰机图片
制冰机内部结构图
制冰机维修图解
制冰机冰块
单片机原理图
永动机原理图
制冰机
家用制冰机
小型制冰机
制冰机维修
原理图
商用制冰机
原理图实物
液压原理图
制冰机安装步骤示意图
大型制冰机
ad原理图
制冰机说明书
工业制冰机
星极制冰机
雪花制冰机
制冰机怎么安装
说说分类
伤感说说
空间说说
心情说说
爱情说说
女生伤感
人生感悟
心情不好
说说带图片
生活的说说
心情短语
qq空间说说
个性说说
励志名言
经典语录
感悟人生
伤感句子
短句吧
情感故事
图片分类
伤感图片
伤感带字
非主流伤感
唯美伤感
女生伤感
唯美意境
悲伤的图片
意境伤感
只有字伤感
说说图片
伤心的图片
美甲图片
图片大全