x
伤感标签
伤感图片
伤感说说
伤感的句子说说心情
伤感图片
空间说说
心情说说
伤感图片带字
非主流伤感图片
爱情说说
女生伤感说说
人生感悟
唯美伤感图片
女生伤感图片
心情不好的说说
说说带图片
关于生活的说说
唯美意境图片
说说心情短语
悲伤的图片
唯美意境伤感图片
只有字的伤感图片
qq空间说说带图片
个性说说
说说图片
励志名言
伤心的图片
情感口述
一句话经典语录
美甲图片
图片大全
感悟人生的经典句子
短句吧
情感故事
情感图片
微信头像男
动态壁纸
抖音文案
动漫配图
伤感标签
首页
说说
动漫
口述
句子
图片
首页
>
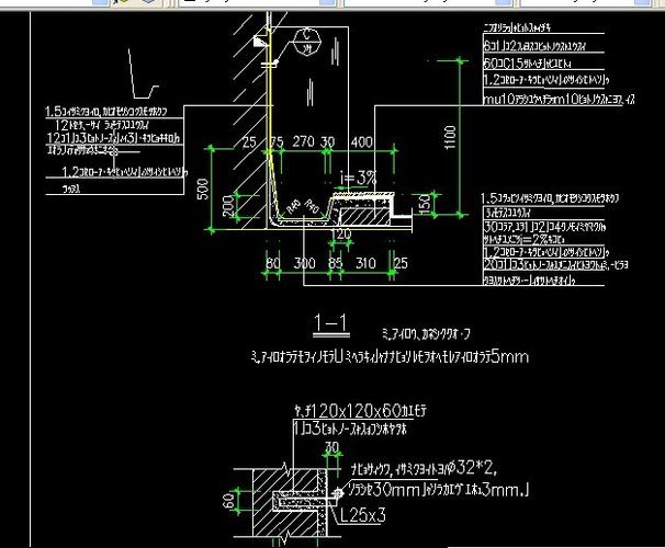
小便池的构造剖面图
小便池的构造剖面图,小便斗内部结构图
卫生间是图显示坐便还是蹲便,男小便池一般砌筑多高?
toto小便斗小便池立式自动感应一体型小便器uswn810bbe正品
某化粪池结构设计图,共8张图_水池构造图_土木在线
和成小便斗u28bt
一种快速除味小便池
更多推荐
小便斗内部结构图
立式小便斗内部构造图
挂式小便池下水构造图
小便器结构原理图
小便池的内部构造图
小便器剖面图
断面图和剖面图的区别
小便池结构图
剖面图立面图
挂壁小便池内部结构图
小便池内部结构
剖面图效果图
地球结构剖面图
身体构造结构图器官图
剖面图
景观剖面图
别墅剖面图
化粪池的构造
建筑剖面图
剖面图方向怎么看
马桶剖面图
餐厅剖面图
地形剖面图
人体剖面图
心脏剖面图
吊顶剖面图
楼梯剖面图
地质剖面图
园林剖面图
楼梯剖面图画法
说说分类
伤感说说
空间说说
心情说说
爱情说说
女生伤感
人生感悟
心情不好
说说带图片
生活的说说
心情短语
qq空间说说
个性说说
励志名言
经典语录
感悟人生
伤感句子
短句吧
情感故事
图片分类
伤感图片
伤感带字
非主流伤感
唯美伤感
女生伤感
唯美意境
悲伤的图片
意境伤感
只有字伤感
说说图片
伤心的图片
美甲图片
图片大全