x
伤感标签
伤感图片
伤感说说
伤感的句子说说心情
伤感图片
空间说说
心情说说
伤感图片带字
非主流伤感图片
爱情说说
女生伤感说说
人生感悟
唯美伤感图片
女生伤感图片
心情不好的说说
说说带图片
关于生活的说说
唯美意境图片
说说心情短语
悲伤的图片
唯美意境伤感图片
只有字的伤感图片
qq空间说说带图片
个性说说
说说图片
励志名言
伤心的图片
情感口述
一句话经典语录
美甲图片
图片大全
感悟人生的经典句子
短句吧
情感故事
情感图片
微信头像男
动态壁纸
抖音文案
动漫配图
伤感标签
首页
说说
动漫
口述
句子
图片
首页
>
三通分流阀工作原理图
三通分流阀工作原理图,分流集流阀工作原理图
vxf40西门子电动三通调节阀
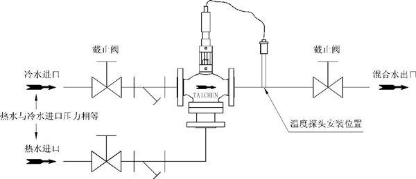
电动三通温控阀是流量调节阀在温度控制领域的典型应用,其基本原理
气动三通球阀的结构特点及工作原理
电动三通调节阀,三通分流调节阀,三通合流调节阀,导热油调节阀
自力式三通合流型温控阀安装原理图
更多推荐
分流集流阀工作原理图
单路稳定分流阀原理图
预作用报警阀工作原理
减压阀工作原理
分流集流阀动画演示图
继电器工作原理接线图
芯片工作原理图解
隔膜泵工作原理
分流集流阀
液压机工作原理
液压马达的工作原理
柱塞泵工作原理
离心泵的工作原理
油水分离器工作原理
分流阀
真空发生器工作原理
伺服电机工作原理
热继电器工作原理
发电机的工作原理
软启动器工作原理
晶体管工作原理
内燃机工作原理
压缩机工作原理
热电偶工作原理
发动机工作原理
空调工作原理
离合器的工作原理
差速器工作原理
plc工作原理
同步阀
说说分类
伤感说说
空间说说
心情说说
爱情说说
女生伤感
人生感悟
心情不好
说说带图片
生活的说说
心情短语
qq空间说说
个性说说
励志名言
经典语录
感悟人生
伤感句子
短句吧
情感故事
图片分类
伤感图片
伤感带字
非主流伤感
唯美伤感
女生伤感
唯美意境
悲伤的图片
意境伤感
只有字伤感
说说图片
伤心的图片
美甲图片
图片大全