x
伤感标签
伤感图片
伤感说说
伤感的句子说说心情
伤感图片
空间说说
心情说说
伤感图片带字
非主流伤感图片
爱情说说
女生伤感说说
人生感悟
唯美伤感图片
女生伤感图片
心情不好的说说
说说带图片
关于生活的说说
唯美意境图片
说说心情短语
悲伤的图片
唯美意境伤感图片
只有字的伤感图片
qq空间说说带图片
个性说说
说说图片
励志名言
伤心的图片
情感口述
一句话经典语录
美甲图片
图片大全
感悟人生的经典句子
短句吧
情感故事
情感图片
微信头像男
动态壁纸
抖音文案
动漫配图
伤感标签
首页
说说
动漫
口述
句子
图片
首页
>
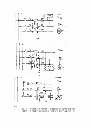
电机差动保护ct接线图
电机差动保护ct接线图,电动机差动保护接线图
相序保护 责任编辑:admin 下一个文章: 什么是电机反电动势?
ge469电机保护差动电流及试验方法校验
高压电动机的速断保护
差动保护
pt,ct接线方式简介.pdf 7页
更多推荐
电动机差动保护接线图
电动机差动保护原理图
电动机差动保护
变压器差动保护接线图
差动保护接线图
发电机差动保护原理图
发电机差动保护装置
线路差动保护原理图
ct表接线端子接线图
三相异步电动机接线图
三相差动保护原理图
双速电机接线图原理图
变压器差动保护原理图
线路光纤差动保护装置
线路差动保护
差动保护原理图
单相电机接线图
三相电机接线图
单相电机正反转接线图
变压器差动保护
电机接线图
变压器差动保护装置
差动保护原理图讲解
电机正反转接线图
三相四线电表接线图
差动保护
高压ct接线图
电机接线方法
差动保护原理
ct一次接线实物图
说说分类
伤感说说
空间说说
心情说说
爱情说说
女生伤感
人生感悟
心情不好
说说带图片
生活的说说
心情短语
qq空间说说
个性说说
励志名言
经典语录
感悟人生
伤感句子
短句吧
情感故事
图片分类
伤感图片
伤感带字
非主流伤感
唯美伤感
女生伤感
唯美意境
悲伤的图片
意境伤感
只有字伤感
说说图片
伤心的图片
美甲图片
图片大全