x
伤感标签
伤感图片
伤感说说
伤感的句子说说心情
伤感图片
空间说说
心情说说
伤感图片带字
非主流伤感图片
爱情说说
女生伤感说说
人生感悟
唯美伤感图片
女生伤感图片
心情不好的说说
说说带图片
关于生活的说说
唯美意境图片
说说心情短语
悲伤的图片
唯美意境伤感图片
只有字的伤感图片
qq空间说说带图片
个性说说
说说图片
励志名言
伤心的图片
情感口述
一句话经典语录
美甲图片
图片大全
感悟人生的经典句子
短句吧
情感故事
情感图片
微信头像男
动态壁纸
抖音文案
动漫配图
伤感标签
首页
说说
动漫
口述
句子
图片
首页
>
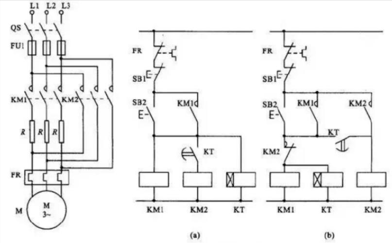
长动控制电气原理图
长动控制电气原理图,点长动控制电路原理图
几种常见的电机控制方法
电气控制原理图ppt
电气控制原理图
电气控制原理图
这些动控制原理图老电气工程师都收藏了
更多推荐
点长动控制电路原理图
点动控制电路原理图
点动和长动控制电路图
点动控制电路图接线图
点长动控制电路图
点动和连续控制原理图
电动机点动原理图
电动机点动控制接线图
电气原理图
点动控制电路图
点动控制电路图实物
点动与连续控制电路图
气动工具原理动画图
原理图工作原理
正反转点动控制电路图
电气原理图符号大全
电动机自锁原理图
双速电机接线图原理图
电动机点动控制
点动控制实物接线图
点动控制电路实物
点动控制接线图
点动控制电路梯形图
点动控制电路
点动控制实物图
点动开关原理图
点动与连续控制接线图
点动和连续控制接线图
电动机点动接线图
汽动枪原理图
说说分类
伤感说说
空间说说
心情说说
爱情说说
女生伤感
人生感悟
心情不好
说说带图片
生活的说说
心情短语
qq空间说说
个性说说
励志名言
经典语录
感悟人生
伤感句子
短句吧
情感故事
图片分类
伤感图片
伤感带字
非主流伤感
唯美伤感
女生伤感
唯美意境
悲伤的图片
意境伤感
只有字伤感
说说图片
伤心的图片
美甲图片
图片大全