x
伤感标签
伤感图片
伤感说说
伤感的句子说说心情
伤感图片
空间说说
心情说说
伤感图片带字
非主流伤感图片
爱情说说
女生伤感说说
人生感悟
唯美伤感图片
女生伤感图片
心情不好的说说
说说带图片
关于生活的说说
唯美意境图片
说说心情短语
悲伤的图片
唯美意境伤感图片
只有字的伤感图片
qq空间说说带图片
个性说说
说说图片
励志名言
伤心的图片
情感口述
一句话经典语录
美甲图片
图片大全
感悟人生的经典句子
短句吧
情感故事
情感图片
微信头像男
动态壁纸
抖音文案
动漫配图
伤感标签
首页
说说
动漫
口述
句子
图片
首页
>
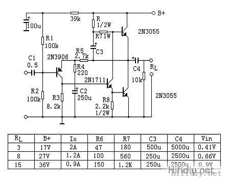
单电源功放电路图
单电源功放电路图,功放电路图
功放电源滤波制作
交流文波主要由图中红色通道从电源渗入,而电路中加入c5显然增加了
tda2030应用电路三:otl形式的功放单电源供电音频放大电路是典型应用
老式功放改 2030a btl 开关电源 单电源
使用tda1521制作高保真功率放大器的资料概述-电子电路图,电子技术
更多推荐
功放电路图
功放电路
开关电源电路图及原理
简单电路图
tda7388功放电路图
电路图图解
功放接线图解
电路图讲解和实物图
并联电路图
电路图实物
电路图
电路图入门
串联电路图
最简单10个电路图
电路图设计
初中电路图
互锁电路图
自锁电路图
装修电路图
功放音响全套接线图
老式功放与音箱接线图
电路图怎么画
正反转控制电路图
电子管功放
点动控制电路图
功放放大器
5.1声道功放接线图
功放后面的接口示意图
电路图符号大全
12v电源
说说分类
伤感说说
空间说说
心情说说
爱情说说
女生伤感
人生感悟
心情不好
说说带图片
生活的说说
心情短语
qq空间说说
个性说说
励志名言
经典语录
感悟人生
伤感句子
短句吧
情感故事
图片分类
伤感图片
伤感带字
非主流伤感
唯美伤感
女生伤感
唯美意境
悲伤的图片
意境伤感
只有字伤感
说说图片
伤心的图片
美甲图片
图片大全