x
伤感标签
伤感图片
伤感说说
伤感的句子说说心情
伤感图片
空间说说
心情说说
伤感图片带字
非主流伤感图片
爱情说说
女生伤感说说
人生感悟
唯美伤感图片
女生伤感图片
心情不好的说说
说说带图片
关于生活的说说
唯美意境图片
说说心情短语
悲伤的图片
唯美意境伤感图片
只有字的伤感图片
qq空间说说带图片
个性说说
说说图片
励志名言
伤心的图片
情感口述
一句话经典语录
美甲图片
图片大全
感悟人生的经典句子
短句吧
情感故事
情感图片
微信头像男
动态壁纸
抖音文案
动漫配图
伤感标签
首页
说说
动漫
口述
句子
图片
首页
>
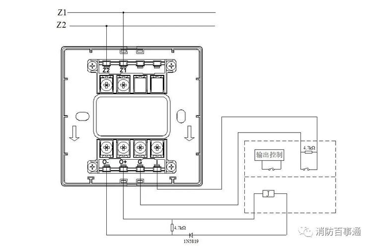
消防模块接线图解
消防模块接线图解,消防模块接线图
青鸟消防火灾自动报警系统「常用」产品接线图_模块
输入输出模块控制电梯迫降接线图-当宁消防网
消防信号二总线有没电压干货海湾消防模块接线图2020版
消防信号二总线有没电压干货海湾消防模块接线图2020版
连载:感温电缆与模块接线图(利达) - 消防期刊 - 感温
更多推荐
消防模块接线图
消防强切模块接线图
消防隔离模块接线图
利达消防模块接线图
消防广播模块接线图
消防回路接线图解
松江消防模块接线图
消防风机与模块接线图
防火阀模块接线图
消防按钮四根线接线图
输入输出模块接线图
消防弱电系统接线图
消防广播接线图
消防模块箱图片
消防手报接线图
消防电路系统接线图
消防强切接线原理图
海湾模块接线图
消防弱电接线口诀
消防手报接线实物图
消防主机后面接线图
消防模块箱
消防强启开关接线图
利达所有模块接线图
消防模块
消防流量开关接线图
消防水炮控制箱接线图
配电箱消防强切接线图
消防手报接线图声光
海湾消防手报接线图
说说分类
伤感说说
空间说说
心情说说
爱情说说
女生伤感
人生感悟
心情不好
说说带图片
生活的说说
心情短语
qq空间说说
个性说说
励志名言
经典语录
感悟人生
伤感句子
短句吧
情感故事
图片分类
伤感图片
伤感带字
非主流伤感
唯美伤感
女生伤感
唯美意境
悲伤的图片
意境伤感
只有字伤感
说说图片
伤心的图片
美甲图片
图片大全