x
伤感标签
伤感图片
伤感说说
伤感的句子说说心情
伤感图片
空间说说
心情说说
伤感图片带字
非主流伤感图片
爱情说说
女生伤感说说
人生感悟
唯美伤感图片
女生伤感图片
心情不好的说说
说说带图片
关于生活的说说
唯美意境图片
说说心情短语
悲伤的图片
唯美意境伤感图片
只有字的伤感图片
qq空间说说带图片
个性说说
说说图片
励志名言
伤心的图片
情感口述
一句话经典语录
美甲图片
图片大全
感悟人生的经典句子
短句吧
情感故事
情感图片
微信头像男
动态壁纸
抖音文案
动漫配图
伤感标签
首页
说说
动漫
口述
句子
图片
首页
>
m10螺母的尺寸标注图
m10螺母的尺寸标注图,m10螺母尺寸图
内六角螺钉尺寸图 内六角螺丝规格尺寸图 内六角螺栓尺寸图表 深圳市
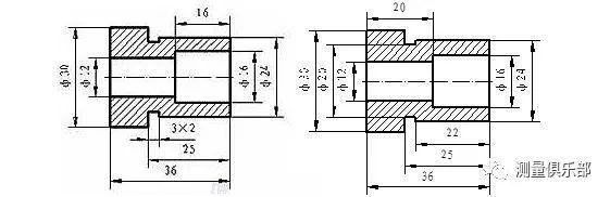
机械制图常识:零件图尺寸标注,基准选择及合理标注原则
304不锈钢标准螺母弹簧扣带保险圈登山链条扣锁扣钥匙
工控加学堂:机械设计中尺寸标注知识,教你看懂复杂的机械加工图纸
亿雄304不锈钢四方焊接螺母/四角点焊螺母/碰焊螺帽螺帽m4m5m6m8m10
更多推荐
m10螺母尺寸图
m10螺母尺寸示意图
m10螺栓尺寸图
m10螺母尺寸规格
m10螺丝直径图示
国标m10螺栓尺寸图
m10螺栓尺寸示意图
螺母标准尺寸表标注
m10螺栓螺母尺寸
m10六角螺母尺寸图
m10螺母尺寸
m12螺母尺寸规格图
m10六角螺母尺寸示意图
m10焊接螺母尺寸示意图
m10外六角螺栓尺寸图
m10六角螺母尺寸规格
m10螺钉尺寸图
M10螺母尺寸
m20螺母尺寸
m10螺栓尺寸规格
螺母标准尺寸表
m8螺母尺寸图
m10螺栓尺寸
螺母尺寸图
螺母标准尺寸表套筒
螺母尺寸示意图
螺母尺寸
m5螺母尺寸
螺母尺寸规格
m6螺母尺寸
说说分类
伤感说说
空间说说
心情说说
爱情说说
女生伤感
人生感悟
心情不好
说说带图片
生活的说说
心情短语
qq空间说说
个性说说
励志名言
经典语录
感悟人生
伤感句子
短句吧
情感故事
图片分类
伤感图片
伤感带字
非主流伤感
唯美伤感
女生伤感
唯美意境
悲伤的图片
意境伤感
只有字伤感
说说图片
伤心的图片
美甲图片
图片大全