x
伤感标签
伤感图片
伤感说说
伤感的句子说说心情
伤感图片
空间说说
心情说说
伤感图片带字
非主流伤感图片
爱情说说
女生伤感说说
人生感悟
唯美伤感图片
女生伤感图片
心情不好的说说
说说带图片
关于生活的说说
唯美意境图片
说说心情短语
悲伤的图片
唯美意境伤感图片
只有字的伤感图片
qq空间说说带图片
个性说说
说说图片
励志名言
伤心的图片
情感口述
一句话经典语录
美甲图片
图片大全
感悟人生的经典句子
短句吧
情感故事
情感图片
微信头像男
动态壁纸
抖音文案
动漫配图
伤感标签
首页
说说
动漫
口述
句子
图片
首页
>
7912引脚图
7912引脚图,7912参数
自制稳压电源
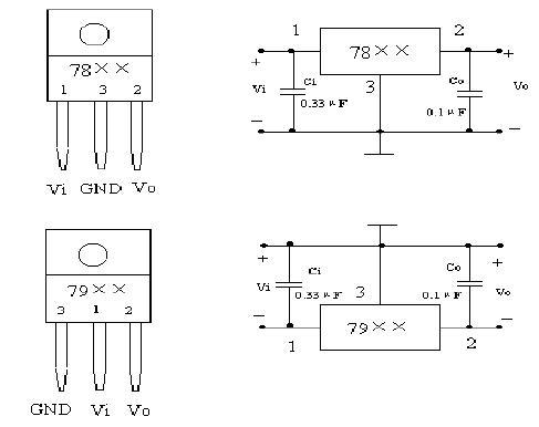
5 a的稳定电压;7912三端稳压器可输出 12v,1a
to-220封装的l7812cv和l7912cv引脚
7912管脚图及引脚图
7812和7912组成对称电源,我这个图有什么问题.
更多推荐
7912参数
ka7912电子引脚图
79m12引脚图接线图
7912电路图
lm7912引脚图
7812和7912引脚图
l7912cv引脚图接线图
7915引脚图
lm317引脚图
7805引脚图和参数
7912稳压电源电路图
7912稳压管引脚图
三端稳压管
7915引脚图及功能
7912封装引脚图
7912电路
l7912cv引脚图和资料
lm337引脚图
7812引脚图和参数
ka7912引脚图
7905引脚图
7912引脚图和参数
7812引脚图
7912
7912接线图
7912实物接线图
7809引脚图和参数
7805引脚图
lm337t引脚图
lm7912引脚图及功能
说说分类
伤感说说
空间说说
心情说说
爱情说说
女生伤感
人生感悟
心情不好
说说带图片
生活的说说
心情短语
qq空间说说
个性说说
励志名言
经典语录
感悟人生
伤感句子
短句吧
情感故事
图片分类
伤感图片
伤感带字
非主流伤感
唯美伤感
女生伤感
唯美意境
悲伤的图片
意境伤感
只有字伤感
说说图片
伤心的图片
美甲图片
图片大全