x
伤感标签
伤感图片
伤感说说
伤感的句子说说心情
伤感图片
空间说说
心情说说
伤感图片带字
非主流伤感图片
爱情说说
女生伤感说说
人生感悟
唯美伤感图片
女生伤感图片
心情不好的说说
说说带图片
关于生活的说说
唯美意境图片
说说心情短语
悲伤的图片
唯美意境伤感图片
只有字的伤感图片
qq空间说说带图片
个性说说
说说图片
励志名言
伤心的图片
情感口述
一句话经典语录
美甲图片
图片大全
感悟人生的经典句子
短句吧
情感故事
情感图片
微信头像男
动态壁纸
抖音文案
动漫配图
伤感标签
首页
说说
动漫
口述
句子
图片
首页
>
电动舵机
电动舵机,舵机机械臂
旋转式双余度电动舵机
供应mx-28mx-28r舵机-「电动机配件」-马可波罗网
直线式电动舵机
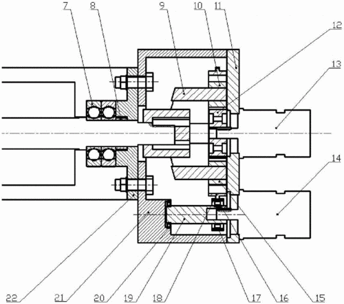
一种双余度电动舵机的制作方法
简易舵机测试仪航模马达电调测试仪舵机测试器三档可调测试器
更多推荐
舵机机械臂
舵机机器人
飞机舵机
舵机电路图
舵机
液压舵机
大型舵机
电动微耕机
舵机接线
舵机臂
舵机结构
电动
船舵机
舵机的应用
舵机尺寸
舵机图片
电动扳手
sg90舵机
舵机原理图
舵机云台
舵机工作原理
舵机工作原理动画
电动搬运车
电动床
船舶液压舵机
舵机控制原理
舵机百度百科
电动轮椅
电动叉车
电动喷雾器
说说分类
伤感说说
空间说说
心情说说
爱情说说
女生伤感
人生感悟
心情不好
说说带图片
生活的说说
心情短语
qq空间说说
个性说说
励志名言
经典语录
感悟人生
伤感句子
短句吧
情感故事
图片分类
伤感图片
伤感带字
非主流伤感
唯美伤感
女生伤感
唯美意境
悲伤的图片
意境伤感
只有字伤感
说说图片
伤心的图片
美甲图片
图片大全