x
伤感标签
伤感图片
伤感说说
伤感的句子说说心情
伤感图片
空间说说
心情说说
伤感图片带字
非主流伤感图片
爱情说说
女生伤感说说
人生感悟
唯美伤感图片
女生伤感图片
心情不好的说说
说说带图片
关于生活的说说
唯美意境图片
说说心情短语
悲伤的图片
唯美意境伤感图片
只有字的伤感图片
qq空间说说带图片
个性说说
说说图片
励志名言
伤心的图片
情感口述
一句话经典语录
美甲图片
图片大全
感悟人生的经典句子
短句吧
情感故事
情感图片
微信头像男
动态壁纸
抖音文案
动漫配图
伤感标签
首页
说说
动漫
口述
句子
图片
首页
>
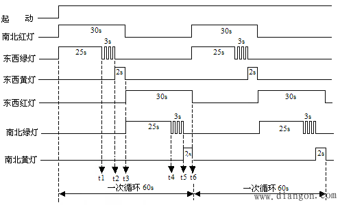
红绿灯时序图
红绿灯时序图,红绿灯信号灯图片
红绿灯时序图
红灯亮16s后熄灭;与此同时,南北方向的红灯亮16s后熄灭,绿灯亮8s,闪烁
3.1交通灯时序图
当起动开关接通时,信号灯系统开始工作,且先南北红灯亮,东西绿灯亮.
(2)交通灯系统控制时序图 根据实际情况,绘制系统的时序图.
更多推荐
红绿灯信号灯图片
红绿灯图片
红绿灯图片马路
红绿灯图片路口
时序图
新版红绿灯信号灯图解
红绿灯图片街道
时序图详解
图书管理系统时序图
红绿灯图片夜晚
登录时序图
注册时序图
动作时序图
设备时序图
红绿灯
电路时序图
i2c时序图
时序图例子
斑马线红绿灯
人行道红绿灯
spi时序图
红绿灯伤感图片
红绿灯路口
plc时序图
红绿灯卡通图片
时序图怎么画
由梯形图如何画时序图
红绿灯标志
红绿灯卡通
各种红绿灯走法图解
说说分类
伤感说说
空间说说
心情说说
爱情说说
女生伤感
人生感悟
心情不好
说说带图片
生活的说说
心情短语
qq空间说说
个性说说
励志名言
经典语录
感悟人生
伤感句子
短句吧
情感故事
图片分类
伤感图片
伤感带字
非主流伤感
唯美伤感
女生伤感
唯美意境
悲伤的图片
意境伤感
只有字伤感
说说图片
伤心的图片
美甲图片
图片大全