x
伤感标签
伤感图片
伤感说说
伤感的句子说说心情
伤感图片
空间说说
心情说说
伤感图片带字
非主流伤感图片
爱情说说
女生伤感说说
人生感悟
唯美伤感图片
女生伤感图片
心情不好的说说
说说带图片
关于生活的说说
唯美意境图片
说说心情短语
悲伤的图片
唯美意境伤感图片
只有字的伤感图片
qq空间说说带图片
个性说说
说说图片
励志名言
伤心的图片
情感口述
一句话经典语录
美甲图片
图片大全
感悟人生的经典句子
短句吧
情感故事
情感图片
微信头像男
动态壁纸
抖音文案
动漫配图
伤感标签
首页
说说
动漫
口述
句子
图片
首页
>
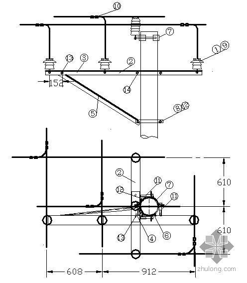
10kv架空线路设计cad图
10kv架空线路设计cad图,10kv架空线路图集
[分享]10kv高压铁塔cad图资料下载
10kv配电线路设计图纸
4kv及10kv架空绝缘线路大样图
7,乡镇10kv架空线一进多出,无开关保护.
某化工厂10kv供电系统全套电气图纸
更多推荐
10kv架空线路图集
10kv架空线路图
10kv架空线路示意图
10kv架空线路图纸符号
10kv架空线路平面图
10kv高压线路图绘图
10kv架空线路弧垂表
10kv线路单线图
10kv配电线路图
10kV架空线路
10kv线路平面图
10kv线路图纸图标符号
10kv线路
10kv线路图纸符号大全
cad画线路图如何布线
架空线路导线
架空线路杆塔
高压架空线路
架空线路金具
电力架空线路图纸符号
架空线路导线弧垂表
架空线路图解
架空线路图
架空线路
架空线路的组成
低压架空线路图片
架空线路图片
10kv拉线标准图片
架空输电线路
低压架空线路
说说分类
伤感说说
空间说说
心情说说
爱情说说
女生伤感
人生感悟
心情不好
说说带图片
生活的说说
心情短语
qq空间说说
个性说说
励志名言
经典语录
感悟人生
伤感句子
短句吧
情感故事
图片分类
伤感图片
伤感带字
非主流伤感
唯美伤感
女生伤感
唯美意境
悲伤的图片
意境伤感
只有字伤感
说说图片
伤心的图片
美甲图片
图片大全