x
伤感标签
伤感图片
伤感说说
伤感的句子说说心情
伤感图片
空间说说
心情说说
伤感图片带字
非主流伤感图片
爱情说说
女生伤感说说
人生感悟
唯美伤感图片
女生伤感图片
心情不好的说说
说说带图片
关于生活的说说
唯美意境图片
说说心情短语
悲伤的图片
唯美意境伤感图片
只有字的伤感图片
qq空间说说带图片
个性说说
说说图片
励志名言
伤心的图片
情感口述
一句话经典语录
美甲图片
图片大全
感悟人生的经典句子
短句吧
情感故事
情感图片
微信头像男
动态壁纸
抖音文案
动漫配图
伤感标签
首页
说说
动漫
口述
句子
图片
首页
>
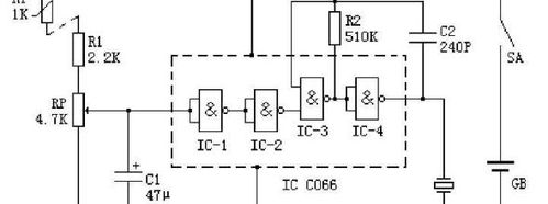
电茶水炉电路图
电茶水炉电路图,电箱电路图
电磁泡茶炉的工作原理
金灶茶道电磁炉型号d22电路原理图
电磁茶炉的快修经验,图文详解保护电路及检修方法,附故障代码
自动上水茶水炉电路图
三桁瓦dkz-4c电开水器电路图
更多推荐
电箱电路图
临时电箱电路图
电箱系统电路图
老式电猫电路图
7个电容电老鼠电路图
电箱电路图纸
电路图图解
工地配电箱电路图
咸水专用电虾机电路图
三级配电箱电路图
二级配电箱电路图
电箱电路图怎么画
电路图
电路图实物
并联电路图
二级临时电箱电路图
简单电路图
串联电路图
互锁电路图
自制高压电猫电路图
家庭用电布线电路图
电路图设计
电路图入门
电路图讲解和实物图
初中电路图
开关电源电路图及原理
装修电路图
自锁电路图
地龙仪电路图
工地二级配电箱电路图
说说分类
伤感说说
空间说说
心情说说
爱情说说
女生伤感
人生感悟
心情不好
说说带图片
生活的说说
心情短语
qq空间说说
个性说说
励志名言
经典语录
感悟人生
伤感句子
短句吧
情感故事
图片分类
伤感图片
伤感带字
非主流伤感
唯美伤感
女生伤感
唯美意境
悲伤的图片
意境伤感
只有字伤感
说说图片
伤心的图片
美甲图片
图片大全