x
伤感标签
伤感图片
伤感说说
伤感的句子说说心情
伤感图片
空间说说
心情说说
伤感图片带字
非主流伤感图片
爱情说说
女生伤感说说
人生感悟
唯美伤感图片
女生伤感图片
心情不好的说说
说说带图片
关于生活的说说
唯美意境图片
说说心情短语
悲伤的图片
唯美意境伤感图片
只有字的伤感图片
qq空间说说带图片
个性说说
说说图片
励志名言
伤心的图片
情感口述
一句话经典语录
美甲图片
图片大全
感悟人生的经典句子
短句吧
情感故事
情感图片
微信头像男
动态壁纸
抖音文案
动漫配图
伤感标签
首页
说说
动漫
口述
句子
图片
首页
>
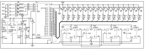
继电器跑马灯原理图
继电器跑马灯原理图,循环跑马灯的接线图
接线可以实现一个启动按钮依次启动四个时间继电器,就像跑马灯一样
时间继电器循环电路图
跑马灯电路
继电器是如何成为cpu的
两个时间继电器控制自动起停电路图
更多推荐
循环跑马灯的接线图
简单跑马灯电路图
自制跑马灯电路图
继电器跑马灯电路图
继电器流水灯电路图
继电器跑马灯接线图
四个灯的跑马灯电路图
继电器原理图
跑马灯电路图
继电器工作原理接线图
跑马灯控制器接线图
简单三路跑马灯电路图
继电器工作原理
继电器电路图
继电器控制电路图
原理图工作原理
双速电机接线图原理图
跑马灯接线实物图
继电器接线图
液位继电器接线图
时间继电器接线图
继电器线路图
中间继电器接线图
继电器图片
继电器自锁电路
放大电路原理图
跑马灯怎么接线
电气原理图
继电器施耐德电气
跑马灯效果图
说说分类
伤感说说
空间说说
心情说说
爱情说说
女生伤感
人生感悟
心情不好
说说带图片
生活的说说
心情短语
qq空间说说
个性说说
励志名言
经典语录
感悟人生
伤感句子
短句吧
情感故事
图片分类
伤感图片
伤感带字
非主流伤感
唯美伤感
女生伤感
唯美意境
悲伤的图片
意境伤感
只有字伤感
说说图片
伤心的图片
美甲图片
图片大全