x
伤感标签
伤感图片
伤感说说
伤感的句子说说心情
伤感图片
空间说说
心情说说
伤感图片带字
非主流伤感图片
爱情说说
女生伤感说说
人生感悟
唯美伤感图片
女生伤感图片
心情不好的说说
说说带图片
关于生活的说说
唯美意境图片
说说心情短语
悲伤的图片
唯美意境伤感图片
只有字的伤感图片
qq空间说说带图片
个性说说
说说图片
励志名言
伤心的图片
情感口述
一句话经典语录
美甲图片
图片大全
感悟人生的经典句子
短句吧
情感故事
情感图片
微信头像男
动态壁纸
抖音文案
动漫配图
伤感标签
首页
说说
动漫
口述
句子
图片
首页
>
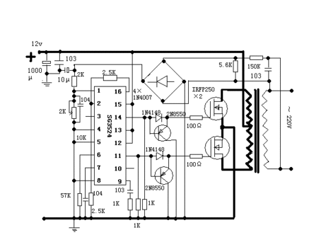
简单12v场效应管逆变器
简单12v场效应管逆变器,12v逆变器场效应管
场效应管逆变电源
买了块逆变驱动板,可是不知道怎么驱动场效应管,谁能教教我怎么驱动场
简单制作12v至220v交流电逆变器
请问高手,这个电路图真的可以做逆变器吗?
小型逆变器(手工制作,电路简单)
更多推荐
12v逆变器场效应管
场效应管逆变器电路图
场效应管逆变器图纸
12v变220v逆变器线路图
12v逆变器220v电路图
12v转220v逆变器电路图
12v转220v逆变器
12v转220v逆变器价格
电瓶逆变器12v转220v
12v1000w逆变器电路图
简单场效应管功放电路
24v逆变器改12v带图
双变压器逆变器电路图
场效应管捕鱼器电路图
逆变器图纸1000w12v
12v逆变器工作原理
单管逆变器电路图
简单逆变器电路图
12v逆变器
12v大功率逆变器
12v转48v逆变器
最简单正弦波逆变器图
12v逆变器价格
简单正弦波逆变器制作
12伏逆变器电路图
场效应管自激电路图
简单逆变器制作
双管自激逆变器电路图
自制最简单小型逆变器
12v捕鱼逆变器
说说分类
伤感说说
空间说说
心情说说
爱情说说
女生伤感
人生感悟
心情不好
说说带图片
生活的说说
心情短语
qq空间说说
个性说说
励志名言
经典语录
感悟人生
伤感句子
短句吧
情感故事
图片分类
伤感图片
伤感带字
非主流伤感
唯美伤感
女生伤感
唯美意境
悲伤的图片
意境伤感
只有字伤感
说说图片
伤心的图片
美甲图片
图片大全