x
伤感标签
伤感图片
伤感说说
伤感的句子说说心情
伤感图片
空间说说
心情说说
伤感图片带字
非主流伤感图片
爱情说说
女生伤感说说
人生感悟
唯美伤感图片
女生伤感图片
心情不好的说说
说说带图片
关于生活的说说
唯美意境图片
说说心情短语
悲伤的图片
唯美意境伤感图片
只有字的伤感图片
qq空间说说带图片
个性说说
说说图片
励志名言
伤心的图片
情感口述
一句话经典语录
美甲图片
图片大全
感悟人生的经典句子
短句吧
情感故事
情感图片
微信头像男
动态壁纸
抖音文案
动漫配图
伤感标签
首页
说说
动漫
口述
句子
图片
首页
>
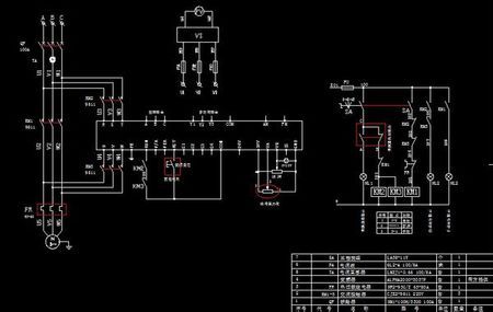
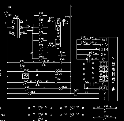
变频器控制柜原理图
变频器控制柜原理图,大型变频器控制柜图片
变频器控制柜原理图接线图
顺流及逆流风机变频控制柜接线原理图
变频器旁路方案的分析
跪求 变频恒压供水控制柜原理图
西子奥的斯标准变频控制柜电器原理图
更多推荐
大型变频器控制柜图片
供水变频器控制柜
变频控制柜线路图
变频器接线图实物图
变频控制柜
变频供水控制柜线路图
恒压供水变频控制柜
原理图工作原理
变频器电路图
变频控制柜高低压
变频器的接线方法图
变频器接线图
控制柜接线图
控制柜结构图
双速电机接线图原理图
消防控制柜接线图
双控开关原理图
软起动控制柜
控制柜
电气控制柜图片
控制柜内部
双电源控制柜
电梯控制柜图解
水泵软启动控制柜
变频器接线
智能控制柜
变频器接线端子说明
变频器面板按键说明图
原理图
变频器图片
说说分类
伤感说说
空间说说
心情说说
爱情说说
女生伤感
人生感悟
心情不好
说说带图片
生活的说说
心情短语
qq空间说说
个性说说
励志名言
经典语录
感悟人生
伤感句子
短句吧
情感故事
图片分类
伤感图片
伤感带字
非主流伤感
唯美伤感
女生伤感
唯美意境
悲伤的图片
意境伤感
只有字伤感
说说图片
伤心的图片
美甲图片
图片大全