x
伤感标签
伤感图片
伤感说说
伤感的句子说说心情
伤感图片
空间说说
心情说说
伤感图片带字
非主流伤感图片
爱情说说
女生伤感说说
人生感悟
唯美伤感图片
女生伤感图片
心情不好的说说
说说带图片
关于生活的说说
唯美意境图片
说说心情短语
悲伤的图片
唯美意境伤感图片
只有字的伤感图片
qq空间说说带图片
个性说说
说说图片
励志名言
伤心的图片
情感口述
一句话经典语录
美甲图片
图片大全
感悟人生的经典句子
短句吧
情感故事
情感图片
微信头像男
动态壁纸
抖音文案
动漫配图
伤感标签
首页
说说
动漫
口述
句子
图片
首页
>
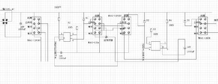
榨油机电加热接线图
榨油机电加热接线图,榨油机加热装置详解
3根3kw的电加热棒连在380v的电线接线图: 向左转 向右转 图中的接法
现货销售 100-2型电加热螺旋榨油机 茶籽花生专用榨油机
攀奇榨油机的配电箱
温控仪表怎么和温度探头,加热管接线|详细步骤带你学习
榨油机自动控制器接线图,下面是元件图,和一张我自己画的板子的电路图
更多推荐
榨油机加热装置详解
榨油机控制电路接线图
榨油机电加热配件
榨油机加热电热管
榨油机电路控制图
榨油机配电箱线路图
电加热温控器接线图
导热油电加热油炉
榨油机榨螺安装图
广鑫榨油机榨螺安装图
120榨油机榨螺安装图
榨油机榨全图解
100型榨油机榨圈安装图
电加热导热油锅炉
榨油机内部结构图
三相四线电表接线图
榨油机结构图原理
电加热烘干机
电加热棒图片及价格
电加热饮水机
榨油机图解
螺旋榨油机结构图原理
工业电加热吹风机
榨油机220v
花生油榨油机设备
榨油机图片
榨油机价格及图片
益加益榨油机
电加热
95型榨油机维修拆解图
说说分类
伤感说说
空间说说
心情说说
爱情说说
女生伤感
人生感悟
心情不好
说说带图片
生活的说说
心情短语
qq空间说说
个性说说
励志名言
经典语录
感悟人生
伤感句子
短句吧
情感故事
图片分类
伤感图片
伤感带字
非主流伤感
唯美伤感
女生伤感
唯美意境
悲伤的图片
意境伤感
只有字伤感
说说图片
伤心的图片
美甲图片
图片大全