x
伤感标签
伤感图片
伤感说说
伤感的句子说说心情
伤感图片
空间说说
心情说说
伤感图片带字
非主流伤感图片
爱情说说
女生伤感说说
人生感悟
唯美伤感图片
女生伤感图片
心情不好的说说
说说带图片
关于生活的说说
唯美意境图片
说说心情短语
悲伤的图片
唯美意境伤感图片
只有字的伤感图片
qq空间说说带图片
个性说说
说说图片
励志名言
伤心的图片
情感口述
一句话经典语录
美甲图片
图片大全
感悟人生的经典句子
短句吧
情感故事
情感图片
微信头像男
动态壁纸
抖音文案
动漫配图
伤感标签
首页
说说
动漫
口述
句子
图片
首页
>
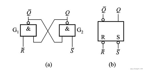
rs触发器
rs触发器,rs触发器的真值表
rs触发器和sr触发器
基本rs触发器
基本rs触发器,同步rs触发器,d触发器
西安电子科技大学_数字电路基础课件 或非门基本rs触发器 或非门基本
同步rs触发器与d触发器(课堂ppt)
更多推荐
rs触发器的真值表
rs触发器的特性方程为
SR锁存器
rs触发器逻辑图
rs触发器 工作原理
rs触发器时序图
rs触发器图形符号
74LS74
rs触发器波形图
jk触发器真值表
74ls00引脚图及功能表
rs触发器的逻辑功能
d触发器真值表
d触发器电路图
d触发器波形图
74ls74引脚图
jk触发器电路图
t触发器真值表
二输入与非门
同步rs触发器
t触发器
D触发器的逻辑电路图
rs触发器内部电路图
74ls00rs触发器接线图
rs触发器的电路图
基本rs触发器仿真图
rs触发器图
74ls76jk触发器接线图
t触发器电路图
74ls74真值表
说说分类
伤感说说
空间说说
心情说说
爱情说说
女生伤感
人生感悟
心情不好
说说带图片
生活的说说
心情短语
qq空间说说
个性说说
励志名言
经典语录
感悟人生
伤感句子
短句吧
情感故事
图片分类
伤感图片
伤感带字
非主流伤感
唯美伤感
女生伤感
唯美意境
悲伤的图片
意境伤感
只有字伤感
说说图片
伤心的图片
美甲图片
图片大全